最新資訊
- 9713數字式箱變保護測控裝置05-29
- 1171機組保護智能控制裝置說明書05-29
- 921型微機消諧裝置說明書05-22
- 997 數字式光纖電流差動保護裝置05-19
- 9666 PT并列保護測控裝置說明書05-18
- 9665母線PT保護測控裝置說明書05-18
- 9663D低壓備自投保護測控裝置說明書05-18
聯系我們

- 編輯 :
專注微機保護
時間 : 2020-04-30 10:31 瀏覽量 : 188 -
液晶顯示:UA UB UC UAB UBC UCA IA IB IC ΣP ΣQ COSΦ f fx
u0 i0 ux ia ib ic
說明:
UA、UB、UC:母線相電壓一次值
UAB、UBC、UCA:母線線電壓一次值;
IA、IB、IC:測量電流一次值
ΣP:總有功一次值;
ΣQ:總無功一次值;
COSΦ:功率因素;
f:線路頻率值;
fx:抽取相頻率值;
u0:零序電壓二次值;
i0:零序電流二次值;
uab:線電壓二次值;
ux:抽取相線電壓;
ia、ib、ic:保護電流二次值;
i1、i2:分別為正序電流、負序電流的二次值;
1.裝置說明:
1.1裝置指示燈:
裝置面板上共有8個指示燈,從左到右依次為:
燈1—運行(綠色)
燈2—電源(綠色)
燈3—備用(綠色)
燈4—合位(紅色)
燈5—分位(綠色)
燈6—告警(紅色)
燈7—事故(紅色)
燈8—故障(紅色)
1.2開入:
開入量:1-16 17-32
0000000000000000
0000000000000000
上一排對應開入量1-16; 下一排對應開入量17-32
開入量定義:
“1”:1R1 合位信號;
“2”:1R2 分位信號;
“3”~“5”:1R3~1R5備用;
“6”:1R6 重合閘閉鎖;
“7”~“9”:1R7~1R9備用;
“10”:1R10 備用;
“11”:1R11 備用;
“12”:1R12備用;
“13”~“16”:1R13~1R16備用;
“17”~“32”:2R1~2R16 備用;
1.3.開出:
開出
123456789ABCDEFG
0000000000000000
出口定義如下(從左到右):
“1”:1J(1C1/1C2)遙控合閘; “2”:2J(1C3/1C4)遙控分閘;
“3”:3J(1C5/1C6)保護跳閘; “4”:4J(1C7/1C8)重合閘;
“5”:5J(1C9/1C10)備用; “6”:6J(1C11/1C12)備用;
“7”:7J(1C13/1C14)備用; “8”:8J(1C15/1C16)備用;
“9”:9J(2C1/2C2)備用; “A”:10J(2C3/2C4)備用;
“B”:11J(2C5/2C6)備用; “C”:12J(2C7/2C8)備用;
“D”:13J(2C9/2C10)備用; “E”:14J(2C11~2C12)裝置故障信號出口;
“F”:15J(2C13/2C14)告警信號出口; “G”:16J(2C15~2C16) 事故信號出口;
做開出試驗時,密碼是:2000
P15/P16:0J 裝置失電(在電源板上)。
1.4采樣數值:(二次值)
uab:母線PT的A、B相的線電壓二次值;
ubc:母線PT的B、C相的線電壓二次值;
uca:母線PT的C、A相的線電壓二次值;
u0:母線PT的零序電壓二次值;
ux: 抽取相線電壓;
ia:A相保護電流二次值;
ib:B相保護電流二次值;
ic:C相保護電流二次值;
i0: 零序電流二次值;
Ia:A相測量電流二次值(和保護電流共用采樣通道);
Ib:B相測量電流二次值(和保護電流共用采樣通道);
Ic:C相測量電流二次值(和保護電流共用采樣通道);
相位計算以保護電流A相為基準。
進入采樣數值界面后,可以按向左按鍵進行通道校準,進入到校準界面后,按左右鍵調到需要校準的通道,再按上下按鍵調節系數,校準完按確定鍵,輸入密碼1000再按確定鍵就可保存。
1.5測量監視:
一次值:UA、UB、UC、UX、IA、IB、IC、∑P、∑Q、Cos¢、f;
二次值:Ua、Ub、Uc、Ux、Ia、Ib、Ic、Pa、Pb、Pc、Qa、Qb、Qc、∑P、∑Q、Cos¢、f;
1.6.出廠設置
出廠設置里的值出廠前已經設好,少部分值由我們售后服務人員根據現場情況設置,客戶無需設置。Disp1和Disp2的值請參考DISP表,把需要顯示的項目對應的設置值相加即可。
1.7.裝置通訊:
1).通訊接口:
2路以太網口。
1路485口。
2).通訊規約:IEC60870-5-103通訊規約、MODBUS。
1.8.裝置自檢:
裝置自檢若出現故障時,故障繼電器有出口,同時故障指示燈點亮。
1.9.裝置電源:
工作電源:AC/DC 85~265。
開入量電源: DC220V。
2.功能菜單:
VIP-987S保護投退菜單
保護序號
代號
保 護 名 稱
整定方式
備注
01
RLP01
速斷
投/退
02
RLP02
速斷低壓閉鎖
投/退
03
RLP03
速斷方向閉鎖
投/退
04
RLP04
限時速斷
投/退
05
RLP05
限時速斷低壓閉鎖
投/退
06
RLP06
限時速斷方向閉鎖
投/退
07
RLP07
過電流
投/退
08
RLP08
過流低壓閉鎖
投/退
09
RLP09
過流方向閉鎖
投/退
10
RLP10
過流反時限
一般/非常/極端/退
11
RLP11
過負荷
告警/跳閘/退
12
RLP12
相間距離I段
投/退
13
RLP13
相間距離II段
投/退
14
RLP14
相間距離III段
投/退
15
RLP15
接地距離I段
投/退
16
RLP16
接地距離II段
投/退
17
RLP17
接地距離III段
投/退
18
RLP18
零序過流
告警/跳閘/退
19
RLP19
零序電流自產
投/退
20
RLP20
重合閘
不檢/檢無壓/退
21
RLP21
后加速保護
投/退
22
RLP22
低頻減載
投/退
23
RLP23
低頻低壓閉鎖
投/退
24
RLP24
低頻滑差閉鎖
投/退
25
RLP25
過電壓
投/退
跳閘
26
RLP26
低電壓
投/退
跳閘
27
RLP27
母線絕緣監測
告警/跳閘/退
告警
28
RLP28
零序電壓自產
投/退
29
RLP29
PT斷線
投/退
告警
30
RLP30
PT斷線閉鎖過流
投/退
31
RLP31
PT失壓
投/退
告警
32
RLP32
控制回路斷線
投/退
告警
定值序號
代號
定 值 名 稱
整定菜單
整定值說明
備注
00
保護定值套數
1~3
01
Kv1
一次PT變比/10
0.01~300.00
02
Ki1
一次CT變比/10
0.01~300.00
03
Idz0
速斷定值
0.1~100A
04
Idz1
限時速斷定值
0.1~100A
05
Tzd1
限時速斷延時
0~100s
06
Idz2
過電流定值
0.1~100A
07
Tzd2
過電流延時
0~100s
08
Idz3
過負荷定值
0.1~100A
09
Tzd3
過負荷延時
0~100s
10
Udz1
低壓閉鎖電流定值
30~100V
11
AngZ1
線路正序阻抗角度
50.00~85.00°
12
Igqd
過流啟動定值
0.1~100A
13
DI
電流突變量啟動值
0.1~100A
14
Izdbs
振蕩閉鎖過流定值
0.1~100A
15
Ixxdz
三相電流選相定值
0.1~100A
16
Zdz1
相間距離I段定值
0.02~100Ω
17
Zdz2
相間距離II段定值
0.02~100Ω
18
TZzd2
相間距離II段延時
0~100s
19
Zdz3
相間距離III段定值
0.02~100Ω
20
TZzd3
相間距離III段延時
0~100s
21
AngXj
相間距離偏移角
0~50°
22
Jdz1
接地距離I段定值
0.02~100Ω
23
Jdz2
接地距離II段定值
0.02~100Ω
24
TJzd2
接地距離II段延時
0~100s
25
Jdz3
接地距離III段定值
0.02~100Ω
26
TJzd3
接地距離III段延時
0~100s
27
Angjd
接地距離偏移角度
0~50°
28
AzI0
線路零序阻抗角度
0~50°
29
KI0
零序補償系數
0~100.00
30
I0ds
零序增量選相定值
0.01~100.00A
31
I0dzp
零序電流選相定值
0.01~100.00A
32
U0dzp
零序電壓選相定值
0.1~100.00V
33
I0dz1
零序過流定值
0.1~100A
34
T0zd1
零序過流延時
0~100s
35
Idz4
重合閘無流定值
0.1~5A
36
Tzd4
重合閘延時
0~100s
37
Uzd2
重合閘無壓定值
0.01~100V
38
Adz1
重合閘角度
0.01~30
39
Idz6
加速保護定值
0.1~100A
40
Tzd6
加速保護延時
0~100s
41
Fdz1
低頻減載定值
45.00-49.99Hz
42
Tzd5
低頻減載延時
0~100s
43
Udz3
低頻閉鎖電壓定值
0~100V
44
Dfzd
低頻閉鎖滑差定值
0.2~5 Hz/s
45
Udz4
過電壓定值
50~200V
46
Tuzd4
過電壓延時
0~100s
47
Udz5
低電壓定值
30~100V
48
Tuzd5
低電壓延時
0~100s
49
U0dz
母線絕緣監測定值
0.01~30V
50
Tu0zd
母線絕緣監測延時
0~100s
51
Upt1
PT斷線定值
10-90V
52
TUpt1
PT斷線延時
0~100s
53
Upt2
PT失壓定值
0.01~30V
54
TUpt2
PT失壓延時
0~100s
55
TKZdx
控制回路斷線延時
0~100s
4保護原理
RLP01速斷
1).RLP01 速斷-“投”;
2).保護電流ia、ib、ic任何一相≧速斷定值(Idz0);
滿足以上條件,保護立即出口3J(1C5/1C6),同時驅動事故信號繼電器16J(2C15/2C16)(直到手動復歸,繼電器才返回),面板事故燈亮。
RLP02速斷低壓閉鎖
1)RLP02 速斷低壓閉鎖—“投”;
2)RLP01 速斷-“投”;
3)故障電流相對應的線電壓有一個低于低電壓閉鎖定值Udz1
4)RLP25 PT斷線閉鎖過流 和RLP24 PT斷線 若都投,則PT需不斷線
滿足以上條件,保護閉鎖速斷保護。
說明:低電壓元件按相取下表中的電壓元件作為判據,兩個線電壓中只要有一個低于定值時就開放電流保護; 90°低電壓元件電壓與相別的對應關系如下:
相別
電壓
A相
UAB、UCA
B相
UBC、UAB
C相
UCA、UBC
當發生PT斷線時,低電壓元件可選擇閉鎖或開放電流保護的出口。
RLP03速斷方向閉鎖
投入“速斷”保護的同時也投入“速斷方向閉鎖”,則在此方向內才動作:
相間帶方向(“投”時指向負荷:允許有±3°的誤差)
UBC= -90°時,IA的動作方向為 -150° 到 30°
UCA=150°時,IB的動作方向為 90° 到 270°
UAB =30°時, IC的動作方向為 -30° 到 150°
速斷、RLP02速斷低壓閉鎖、RLP03速斷方向閉鎖
速斷、速斷低壓閉鎖、速斷方向閉鎖邏輯關系圖
說明:
PT發生斷線:判斷詳見PT斷線保護功能的判據。
RLP01:速斷保護;RLP02:速斷低壓閉鎖;RLP03:速斷方向閉鎖;RLP24:PT斷線;
RLP25:PT斷線閉鎖過流;
ia、ib、ic:保護電流;Idz0:速斷定值;Udz1:低電壓閉鎖定值; Uab、Ubc、Uca:二次線電壓
RLP04限時速斷
1.RLP04 限時速斷-“投”;
2.保護電流ia、ib、ic任何一相≧ 限時速斷定值(Idz1);
3.加入電流時間≧限時速斷延時 Tzd1;
滿足以上條件,保護立即出口3J(1C5/1C6),同時驅動事故信號繼電器16J(2C15/2C16)(直到手動復歸,繼電器才返回),面板事故燈亮。
RLP05限時速斷低壓閉鎖
1)RLP05限時速斷低壓閉鎖—“投”;
2)RLP04限時速斷-“投”;
3).保護電流ia、ib、ic任何一相≧ 限時速斷定值(Idz1);
4)故障電流相對應的線電壓有一個低于低電壓閉鎖定值Udz1
5)“RLP25 PT斷線閉鎖過流” 和“RLP24 PT斷線” 若都投,則PT需不斷線
6)加入電流時間≧限時速斷延時 Tzd1;
滿足以上條件,保護閉鎖限時速斷保護。
說明:低電壓元件按相取下表中的電壓元件作為判據,兩個線電壓中只要有一個低于定值時就開放電流保護; 90°低電壓元件電壓與相別的對應關系如下:
相別
電壓
A相
UAB、UCA
B相
UBC、UAB
C相
UCA、UBC
當發生PT斷線時,低電壓元件可選擇閉鎖或開放電流保護的出口。
RLP06限時速斷方向閉鎖
投入“限時速斷”保護的同時也投入“限時速斷方向閉鎖”,則在此方向內才動作:
相間帶方向(“投”時指向負荷:允許有±3°的誤差)
UBC= -90°時,IA的動作方向為 -150° 到 30°
UCA=150°時,IB的動作方向為 90° 到 270°
UAB =30°時, IC的動作方向為 -30° 到 150°
RLP04限時速斷、RLP05限時速斷低壓閉鎖、RLP06限時速斷方向閉鎖
說明:
PT發生斷線:判斷詳見PT斷線保護功能的判據。
RLP04:限時速斷保護;RLP05:限時速斷低壓閉鎖;RLP06:限時速斷方向閉鎖;RLP24:PT斷線;RLP25:PT斷線閉鎖過流;
ia、ib、ic:保護電流;Idz1:限時速斷定值;Tzd1:限時速斷延時;Udz1:低電壓閉鎖定值; Uab、Ubc、Uca:二次線電壓。
RLP07過電流
1.RLP07 過電流-“投”;
2.保護電流ia、ib、ic任何一相≧過電流定值(Idz2);
3.加入電流時間≧過電流延時 Tzd2;
滿足以上條件,保護立即出口3J(1C5/1C6),同時驅動事故信號繼電器16J(2C15/2C16)(直到手動復歸,繼電器才返回),面板事故燈亮。
RLP08過電流低壓閉鎖
1)RLP08過電流低壓閉鎖—“投”;
2)RLP07過電流-“投”;
3).保護電流ia、ib、ic任何一相≧過電流定值(Idz2);
4)故障電流相對應的線電壓有一個低于低電壓閉鎖定值Udz1
5)RLP25 PT斷線閉鎖過流 和RLP24 PT斷線 若都投,則PT需不斷線
6)加入電流時間≧過電流延時 Tzd1;
滿足以上條件,保護閉鎖過電流保護。
說明:低電壓元件按相取下表中的電壓元件作為判據,兩個線電壓中只要有一個低于定值時就開放電流保護; 90°低電壓元件電壓與相別的對應關系如下:
相別
電壓
A相
UAB、UCA
B相
UBC、UAB
C相
UCA、UBC
當發生PT斷線時,低電壓元件可選擇閉鎖或開放電流保護的出口。
RLP09過流方向閉鎖
投入“過電流”保護的同時也投入“過流方向閉鎖”,則在此方向內才動作:
相間帶方向(“投”時指向負荷:允許有±3°的誤差)
UBC= -90°時,IA的動作方向為 -150° 到 30°
UCA=150°時,IB的動作方向為 90° 到 270°
UAB =30°時, IC的動作方向為 -30° 到 150°
RLP07過電流、RLP08過流低壓閉鎖、RLP09過流方向閉鎖
過電流、過流低壓閉鎖、過流方向閉鎖邏輯關系圖
說明:
PT發生斷線:判斷詳見PT斷線保護功能的判據。
RLP07:過電流;RLP08:過流低壓閉鎖;RLP09:過流方向閉鎖;RLP24:PT斷線;RLP25:PT斷線閉鎖過流;
ia、ib、ic:保護電流;Idz2:過電流定值;Tzd2:過電流延時;Udz1:低電壓閉鎖定值; Uab、Ubc、Uca:二次線電壓。
RLP10過流反時限
裝置提供三種反時限特性(依據IEC225-4標準):
上式中, Ip 為電流反時限電流定值,tp 為電流反時限時間定值。
注:過電流保護和過流反時限保護共用電流定值和時限定值,兩者同時投入時,反時限保護無效。
RLP11過負荷
1.RLP13 過負荷-“告警/跳閘”;
2.保護電流ia、ib、ic任何一相 ≧ 過負荷定值(Idz3);
3.加入電流時間≧過負荷延時 Tzd3;
滿足以上條件,若投“跳閘”保護立即出口3J(1C5/1C6),同時驅動事故信號繼電器16J(2C15/2C16)(直到手動復歸,繼電器才返回),面板事故燈亮;若投“告警”保護即驅動告警信號繼電器15J(2C13/2C14)(直到手動復歸,繼電器才返回),面板告警燈亮。
零序過流
1.RLP18 零序過流-“告警/跳閘”;
2.零序電流i0 ≧ 零序過流定值(I0dz1);
3.延時時間≧零序過流延時 T0zd1;
滿足以上條件,若投“跳閘”保護立即驅動出口3J(1C5/1C6),同時驅動事故信號繼電器16J(2C15~2C16)(直到手動復歸,繼電器才返回),面板事故燈亮。若投“告警”保護即驅動告警信號繼電器15J(2C13/2C14)(直到手動復歸,繼電器才返回),面板告警燈亮。
說明:如“零序電流自產”投入,則零序電流通過三相保護電流矢量和/3計算所得。
RLP20重合閘
1.RLP14 重合閘-“不檢/檢無壓”;
2.開關在合位(1R1=1),無閉鎖重合閘信號(1R6=0),重合閘進行充電,充電15秒后,在液晶右上角顯示電池充電滿符號;
3.速斷、限時速斷、過電流、前加速、距離I段、距離II段、距離III段,三段保護任何一段動作后,檢測到的殘留電流值小于重合閘無流定值。
滿足以上條件后,若投“不檢”,則經過重合閘延時時間后,重合閘進行重合。重合閘出口為4J(1C7/1C8)。
滿足以上條件后,若投“檢無壓”,則需檢測抽取相電壓ux,若ux<重合閘無壓定值,則經過重合閘延時時間后,重合閘進行重合。重合閘出口為4J(1C7/1C8)。
說明:重合閘只針對速斷、限時速斷、過電流、前加速、距離I段、距離II段、距離III段動作后才能重合。
說明:
RLP14:重合閘; ia、ib、ic:保護電流;Idz4:重合閘無流定值;Tzd4:重合閘延時;ux: 抽取相電壓;Uzd2:重合閘無壓定值; Δ¢: 本側線電壓uab和抽取相電壓ux的相位差;ΔU:ΔU=|uab - ux|,本側線電壓uab和抽取相電壓ux的電壓差;Adz1:重合閘角度定值UN:二次額定電壓值,當PT采用Y型接法時,UN=57.74V,當PT采用VV接法時,UN=100V。1R1=1:斷路器為合位信號。1R6=0:沒有閉鎖重合閘信號。
低頻減載
1.RLP22 低頻減載-“投”;
2.Ua≧5V;
3. 35HZ ≦f ≦65HZ
4.頻率f采樣值≦ 低頻減載定值(Dpjz);
5.滿足以上條件的持續時間≧低頻減載延時zd5;
滿足以上條件,保護立即出口3J(1C5/1C6),同時驅動事故信號繼電器16J(2C15/2C16)(直到手動復歸,繼電器才返回),面板事故燈亮。
注:1)如“低頻滑差閉鎖”投入,則還需要 頻率滑差變化值 ≦ 低頻閉鎖滑差定值
2)如“低頻低壓閉鎖”投入,則還需要滿足低頻低壓閉鎖條件不成立。
低頻低壓閉鎖
1.RLP16低頻低壓閉鎖——“投”;
2.線電壓Uab 、Ubc、Uca的電壓值都<低頻閉鎖電壓定值Udz3;
3.Uab≧15V;
滿足以上條件,則閉鎖“低頻減載”保護,即使滿足低頻減載條件,也不會動作。
低頻滑差閉鎖
1.RLP17低頻滑差閉鎖——“投”;
2. 頻率滑差變化值df/dt ≧低頻閉鎖滑差定值Dfzd;
滿足以上條件,則閉鎖“低頻減載”保護,即使滿足低頻減載條件,也不會動作。
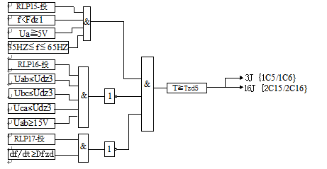
RLP15低頻減載、RLP16低頻低壓閉鎖、RLP17低頻滑差閉鎖
說明:
RLP15:低頻減載;RLP16低頻低壓閉鎖;RLP17:低頻滑差閉鎖
f:實際測得的頻率;Fdz1:低頻減載定值;Ua:A相二次電壓值;Udz3:低頻閉鎖電壓定值;df/dt:頻率滑差變化值;Dfzd:低頻閉鎖滑差定值;Tzd5:低頻減載延時。
RLP21 加速保護
后加速:當線路一旦發生故障,保護有選擇性地動作,切除故障,然后重合閘進線一次重合:若為瞬時故障,則重合成功,而如果是永久性故障,則保護無選擇性地瞬時跳開斷路器,切除永久故障。
1).RLP21加速保護——“后加速”
2).三相保護電流ia、ib、ic中有一相或多相大于加速保護定值“Idz6”;
3. 重合閘—投,且重合閘保護動作,檢測到開關為合位;
當上面3個條件同時滿足后,程序開始延時,當延時大于等于整定值“Tzd6”時,保護立即出口3J(1C5/1C6),同時驅動事故信號繼電器16J(2C15/2C16)(直到手動復歸,繼電器才返回),面板事故燈亮。
RLP25過電壓保護
1.RLP21 過電壓-“投”;
2.線電壓Uab、Ubc、Uca中有一個或多個值≧ 過電壓定值(Udz4);
3.滿足以上條件持續時間≧過電壓延時(Tuzd4);
滿足以上條件,保護立即出口3J(1C5/1C6),同時驅動事故信號繼電器16J(2C15/2C16)(直到手動復歸,繼電器才返回),面板事故燈亮。
RLP26低電壓保護
1.RLP22 低電壓-“投”;
2.線電壓Uab、Ubc、Uca采樣值同時≦ 低電壓定值(Udz5);
3.滿足以上條件持續時間≧低電壓延時(Tzd8);
4. 所有線電壓均≧30V;
滿足以上條件,保護立即出口3J(1C5/1C6),同時驅動事故信號繼電器16J(2C15/2C16)(直到手動復歸,繼電器才返回),面板事故燈亮。
RLP27母線絕緣監測
1).RLP23母線絕緣監測-“投”;
2).零序電壓u0≧母線絕緣監測定值Udz9;
3).零序電壓采樣延時時間≧母線絕緣監測延時(Tzd9);
滿足以上條件,保護即驅動告警信號繼電器15J(2C13/2C14)(直到手動復歸,繼電器才返回),面板告警燈亮。
說明:如“零序電壓自產”投入,則零序電壓通過三相電壓矢量和/3計算所得。
RLP29 PT斷線
1).RLP24 PT斷線-“投”;
2).線電壓Uab、Ubc、Uca中,有一線電壓采樣值 ≧ PT斷線電壓定值(Upt1),另一線電壓采樣值 < PT斷線電壓定值(Upt1);
3).滿足以上兩個條件持續時間≧PT斷線定值 Tupt1
滿足以上條件,保護即驅動告警信號繼電器15J(2C13/2C14)(直到手動復歸,繼電器才返回),面板告警燈亮。
RLP29 PT斷線閉鎖過流
1).RLP24 PT斷線-“投”;
2). RLP25 PT斷線閉鎖過流—“投”
同時滿足以上條件,則當發生PT斷線時(滿足PT斷線條件),保護閉鎖速斷、限時速斷、過電流、加速保護(包括前加速和后加速)。
RLP31 PT失壓
1.RLP31 PT失壓-“投”;
2.線電壓Uab、Ubc、Uca都小于PT失壓定值(Upt2);
3.保護電流ia、ib、ic任何一相 ≧ 0.3A;
4.滿足以上條件持續時間≧PT失壓定值 Tupt2
滿足以上條件,裝置發生PT失壓告警,并驅動告警信號繼電器J31/32(直到手動復歸,繼電器才返回),面板告警燈亮。
PT失壓復歸條件:有1個線電壓大于等于60V,或者3個保護電流(ia、ib、ic)都<0.3A.
RLP32控制回路斷線
1.RLP27 控制回路斷線-“投”;
2.同時采集到分位、合位信號,或同時采集不到分位、合位信號,持續時間≧ 控制回路斷線延時TKZ1;
滿足以上條件,裝置發生控制回路斷線告警保護,并驅動告警信號繼電器J31/32(直到手動復歸,繼電器才返回),面板告警燈亮。
距離保護
1.啟動元件
相間距離啟動判據:
式中 Φ表示A、B、C相;iset 表示過流啟動定值;△表示突變量;QD表示啟動定值
程序中,只整定電流突變量啟動值,負序電流突變量啟動值(3I2)規定為相電流突變量啟動值的3/5,既I2規定為相電流突變量啟動值的1/5。
裝置具有智能無故障快速復歸功能,啟動元件動作后所有故障檢測元件均不啟動并持續500ms后整組復歸,保證了再次故障發生時的快速反應。若啟動元件動作后檢測元件一直動作則7S后整組復歸。
備注說明(說明書內容過多,不能全部展示,如有需求,請于公司聯系)
文章來自電力微機保護網
產品咨詢電話號碼:13655813266 手機號碼微信同步,歡迎咨詢!
- 1171機組保護智能控制裝置說明書 05-29
- 9713數字式箱變保護測控裝置 05-29
- 921型微機消諧裝置說明書 05-22
- 997 數字式光纖電流差動保護裝置 05-19
- 9660 C公用測控裝置說明書 05-18
- 9663 備自投保護測控裝置說明書(常規) 05-18
- 9663備自投保護裝置說明書(高壓無母聯) 05-18
- 9663備自投保護測控裝置說明書(跳主供也跳母聯) 05-18
- 9663D低壓無母聯備自投保護測控裝置說明書 05-18
- 9663D低壓備自投保護測控裝置說明書 05-18